首页
产品设备
炭化设备
连续式炭化炉
炼油设备
全连续炼油设备
间歇式炼油设备
纸浆模塑设备
纸浆模塑餐盘机
蛋托机
解决方案
制炭
园林及木材加工废弃物处理
木屑碳化炉
竹屑炭化炉
桉树皮碳化炉
生物质颗粒碳化设备
麻杆炭化炉
杉木炭化炉
农业种植废弃物处理
稻壳碳化设备
秸秆炭化设备
食品加工废弃物处理
椰壳炭化
果壳炭化炉
酒糟碳化设备
甘蔗渣炭化设备
中药渣炭化炉
新能源
电池负极材料预碳化
棕榈油加工废弃物处理
棕榈壳炭化设备
碳汇
生物炭碳汇
能源代替
机制炭生产
活性炭
活性炭生产
金属冶炼
工业硅冶炼木炭生产
其它
污泥碳化
炼油
工业危废无害化处理
油泥处理
废轮胎处理
废旧轮胎炼油
废塑料处理
废塑料炼油
纸浆模塑
养殖及农业产品包装加工
蛋托机
餐具及工包产品加工
环保纸塑餐具设备
成功案例
炼油设备案例
炭化设备案例
分选设备案例
纸浆模塑案例
新闻中心
公司新闻
行业新闻
视频中心
车间实拍
设备工艺流程
客户现场
公司活动
常见问题
综合类-FAQ
炭化设备-FAQ
炼油设备-FAQ
分选设备-FAQ
纸浆模塑-FAQ
服务支持
关于我们
公司简介
企业文化
发展历程
企业荣誉
全球用户
加入我们
联系我们
联系方式
在线留言
我要投诉
搜索
18569982039
首页
产品设备
炭化设备
炼油设备
纸浆模塑设备
解决方案
园林及木材加工废弃物处理
农业种植废弃物处理
食品加工废弃物处理
新能源
棕榈油加工废弃物处理
碳汇
能源代替
活性炭
金属冶炼
其它
工业危废无害化处理
废轮胎处理
废塑料处理
养殖及农业产品包装加工
餐具及工包产品加工
成功案例
炼油设备案例
炭化设备案例
分选设备案例
纸浆模塑案例
新闻中心
公司新闻
行业新闻
视频中心
车间实拍
设备工艺流程
客户现场
公司活动
常见问题
综合类-FAQ
炭化设备-FAQ
炼油设备-FAQ
分选设备-FAQ
纸浆模塑-FAQ
关于我们
公司简介
企业文化
发展历程
企业荣誉
全球用户
加入我们
联系我们
联系方式
在线留言
我要投诉
产品概述
优势特点
生产工艺
设备参数
设备部件
项目方案
技术支持
猜你关心
相关案例
|
油泥处理
含油污泥主要来自石油工业和船舶运输行业。在石油开采、炼油和储存过程中产生的废弃物,如钻井渣、炼油渣、储油罐清洗废物等都可能含有油污。此外,船舶运输行业中的油舱清洁、油船事故泄漏以及海上输油管道爆裂等也会造成含油污泥的产生。
含油污泥属于危险废弃物,如不妥善处理将会对环境造成很大影响。
油泥热解是油泥处理的主要方法之一,可以用来处理油基岩屑、钻井岩屑、油田油泥、船舶油泥、落地油泥、炼油厂油泥、罐底油泥、地面溢油等含油污泥,油泥经过热解后的产物为土、裂解油、可燃气体等。
油泥热解设备有间歇式、连续式等工艺可选,日处理量从1-35吨有多种型号可选。
油气回收
烃残留含量≤3‰
电话咨询>
产品特点与优势
处理量0.5-30吨 多型号可选
油泥热解设备有多种设备型号,满足不同的处理量需求,可按需选择
主炉材质可选
主炉材质可选
油泥热解设备可根据处理原料的工艺环境要求,选择Q245R、304不锈钢、310S不锈钢等不同主炉材质
安装便捷
安装便捷
油泥热解设备有撬装式结构(小型设备)、三合一模块设计等,简化现场安装
多种进料方式可选
多种进料方式可选
油泥热解设备可定制反应釜炉门尺寸和形状,满足直接进料、螺旋进料、液压进料等多种进料需求,提供更多样化、更便捷的进料方式
一体化解决方案
一体化解决方案
我们可提供油泥热解设备-油品蒸馏-后端加工,全流程生产线设备与服务
处理量0.5-30吨 多型号可选
|
环保生产工艺
工艺动画视频
百特环保品牌保证
尾气处理达标
工序流程图
进料
热解
出渣
油泥热解设备参数
型号
BLJ-16
BLL-30
处理量(吨/天)
12-16
30-35
工艺方式
间歇式
连续式
原材料
废塑料、废旧轮胎、油泥等
主炉尺寸
直径2.8长7.1米
直径1.8长18.5米
主炉材质
Q345R
310S不锈钢
驱动系统
500减速机+7.5kw电机
ZQH650-50减速机+15kw变频电机
结构
卧式回转
供热燃料
燃料油(包括轮胎/塑料裂解油)、天然气、液化石油气、柴油等。
燃烧器
2台*40万大卡
每套配250万大卡
设备功率(千瓦)
55.6
256
占地大小
33*13*8米
70*20*10米
运输重量
约34.5吨
约150吨
工作压力
微正压
微负压
噪声(分贝)
≤60
油泥热解处理设备部件介绍
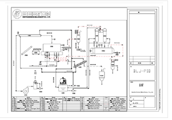
全连续油泥热解炼油设备
由反应釜、驱动系统、取样器、螺旋除渣器、汽包系统、静电除尘器、水冷出渣机、油气冷凝系统、水冷炭黑储存罐、螺旋进料机、称重机、料仓等几部分组成 ;
间歇/半连续油泥热解炼油设备
由引风机、烟道冷凝器、排烧室、汽包和渣油罐、三合一冷凝器、出料系统、驱动系统、裂解主炉、液压进料机构、除尘塔等几部分组成。
相关项目方案
BLL-30全连续炼油设备+BZJ-10卧式蒸馏塔
方案日期:2023.05.05
查看详情
BLJ-16间歇炼油设备+三合一+液压进料
方案日期:2023.05.06
查看详情
人工进料BLJ-6废塑料炼油设备+催化裂解+三合一
方案日期:2023.06.06
查看详情
查看更多>
我们的技术支持
客户工厂设计
设备布局图
设备基础图
PID流程图
电气制图
3D布局效果图
安装时间表
安装手册
操作手册
维护手册
你可能还关心
油泥热解技术与热洗技术什么区别
油泥热解技术通过高温作用下的热解反应,分解油污染物的化学键,使其转化为气体、液体或固体产物。而热洗技术则是利用清洗剂和热能,通过溶解、乳化或蒸发等过程将油污染物从固体表面解吸或去除。油泥热解技术处理的优点是处理的比较彻底,可以满足千分之三的标准,不过处理量一般只有每天几十吨。油泥热洗技术的特点是处理量大,一天可以处理上百吨,但是需要选择合适的清洗剂以及避免清洗过程中产生的含油废水或清洗剂残留物造成环境污泥
油泥热解产出的油是什么油,有什么用途
油泥热解产出的裂解油不是汽油,也不是柴油,是一种混合组分,可以经过深加工来精炼润滑油等产品
油泥分离设备热解技术应用与特点
油泥通常包含油、水和固体颗粒,其来源广泛,如石油开采、炼油厂废弃物、船舶和车辆维修过程中产生的废油以及工业生产中的各种油基废料等。传统的油泥分离设备往往成本高昂且效...
[查看详细]
油泥危废处理多少一吨 油泥处理需要什么资质
油泥危废处理多少一吨呢?2016年发布的《国家危险废物名录》将废矿物油与含矿物油废物(HW08)纳入危险废物名单,严格监管油田石化等行业产生油泥处置。危废处理需要具备相关资质...
[查看详细]
油泥热解设备厂家如何选择 来看下北工油泥处理设备优势
含油污泥是原油或成品油混入泥土或其他介质, 其中的油份不能直接回收而可能造成污染的多种形态的混合物,是石油化工工业的主要污染物之一。油泥的处理方法有很多,油泥热解处理...
[查看详细]
BLJ-16型号利比亚油泥热解设备
这个项目在利比亚,使用的是BLJ-16型号的油泥热解设备,每天可以处理15吨左右的含油污泥。 ...
[查看详细]
油泥属于危废吗 现在处理一吨油泥什么价格
油泥属于危废吗 现在处理一吨油泥什么价格油泥一般指的是油田开采油泥、罐底油泥等,含油污泥不是自然界固有存在的,而是由于油田开采、石油炼制过程、运输、使用、贮存等各种...
[查看详细]
相关案例
多米尼加16吨废旧轮胎炼油现场
安装年份:2018 处理量:15吨左右/天
查看详情
印度10吨废塑料炼油设备项目
安装年份:2022 处理量:10吨/天
查看详情
加拿大10吨废塑料炼油设备
安装年份:2021 处理量:10吨/天
查看详情
查看更多>
为什么选择我们
生产工序机械化程度高、质量稳定可靠
通过多项资质认证,品牌企业值得信赖
重视技术研发、创新赋能用户
市场覆盖海内外、设备符合多国标准
百特环保(BESTON),期待与您的合作!
百特环保(BESTON),
期待与您的合作!
联系我们>
关于我们
公司简介
企业文化
发展历程
企业荣誉
全球用户
加入我们
产品设备
炭化设备
炼油设备
纸浆模塑设备
解决方案
园林及木材加工废弃物处理
农业种植废弃物处理
工业危废无害化处理
废轮胎处理
养殖及农业产品包装加工
餐具及工包产品加工
成功案例
炼油设备案例
炭化设备案例
分选设备案例
纸浆模塑案例
新闻中心
公司新闻
行业新闻
视频中心
车间实拍
设备工艺流程
客户现场
公司活动
常见问题
综合类-FAQ
炭化设备-FAQ
炼油设备-FAQ
分选设备-FAQ
纸浆模塑-FAQ
联系电话:
18569982039(可点击拨打)
公司地址:
河南省郑州市二七区漓江路中国中部电子商务港A座
工厂地址:
河南省焦作市修武县经济技术开发区武源路18号
公司邮箱:
support@bestongroup.com
|法律声明 | 隐私条款 | 版权所有 河南国立百特环保科技有限公司|
京ICP证000000号